Ö÷Ò³ > ³ÝÂÖÏäµÄÓ¦Óà > hjc»Æ½ð³Ç¹ÙÍøÖ±Á÷¼õËÙµç»ú£¨³ÝÂÖÏ䣩

hjc»Æ½ð³Ç¹ÙÍøÖ±Á÷¼õËÙµç»ú£¨³ÝÂÖÏ䣩

2017-07-04 01:54

hjc»Æ½ð³Ç¹ÙÍøÉú²úµÄ΢ÐÍÖ±Á÷¼õËÙµç»ú³ÝÂÖÏä¾ßÓÐÌå»ýС¡¢ÖØÁ¿Çá¡¢Á¦¾Ø´ó¡¢µÍÔëÒô¡¢²»Ò×Ë𻵵ÄÌØµã¡£

  hjc»Æ½ð³Ç¹ÙÍøÑз¢Éú²ú΢ÐÍÖ±Á÷¼õËÙµç»ú³ÝÂÖÏ䣺

  1.ÓµÓÐËÜÁÏ¡¢Îå½ð¡¢½ðÊôMIMµÄ³ÝÂÖÉè¼ÆÉú²úÄÜÁ¦£»

  2.³ÝÂÖÄ£ÊýµÍ¿ÉÒÔ×öµ½M=0.05Ä£Êý£¬ÔëÒôС£»

  3.Íâ¹Û¼°½á¹¹Éè¼ÆÉÏÓµÓÐ×ÔÖ÷²úȨ£¬ÌáÉýÁËÁ¦¾Ø´ó£¬Ìå»ýС£»

  4.¿É¼Ó×°±àÂëÆ÷,¿ÉÒÔÅä»»Ö±Á÷ÓÐË¢µç»ú£¬¿ÕÐı­µç»ú¡¢ÎÞË¢µç»ú£¬²½½øµç»úµÈ¡£

? hjc»Æ½ð³Ç¹ÙÍøÎ¢ÐÍÖ±Á÷¼õËÙµç»úÓóÝÂÖÏ俪·¢Ö±¾¶¼°Ó¦ÓÃÁìÓò£º

  hjc»Æ½ð³Ç¹ÙÍøÎ¢ÐÍÖ±Á÷¼õËÙµç»úÐÐÐdzÝÂÖÏ䣬ÓÃÓÚÖÇÄܳøÎÀ¡¢ÖÇÄÜÇý¶¯¡¢Æû³µÖÇÄÜÇý¶¯¡¢ÖÇÄÜ»¯¼Ò¾ÓÇý¶¯¡¢¹¤ÒµÖÇÄÜÇý¶¯¡¢µç×Ó²úÆ·ÖÇÄÜÇý¶¯µÈ¶à¸öÐÐÒµ£¬¿É¸ù¾Ý¿Í»§µÄ²»Í¬ÐèÇó¶¨ÖÆ¡£

  ΢ÐÍÖ±Á÷¼õËÙµç»ú¸÷²ÎÊý¹æ¸ñ£¬¿É°´ÐèÇó¶¨ÖÆ¡£

  ΢ÐÍÖ±Á÷¼õËÙµç»ú³ÝÐÐÐÇÂÖÏäÉè¼Æ£º

ÐÐÐdzÝÂÖ¼õËÙ»ú
ÐÐÐdzÝÂÖ¼õËÙ»ú

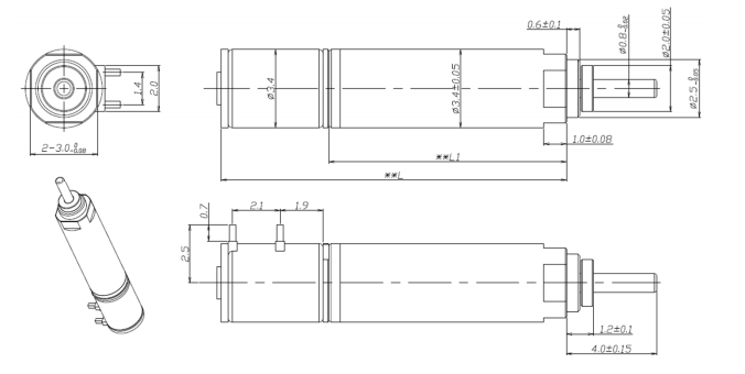
΢ÐÍÖ±Á÷¼õËÙµç»ú³ÝÂÖÏäÍâÐγߴ磺

΢ÐÍÖ±Á÷¼õËÙµç»ú³ÝÂÖÏäÍâÐγߴç

ÒÔÉϹæ¸ñÊý¾Ý½ö¹©²Î¿¼£¬¿É°´ÐèÇó¶¨ÖÆ¡£

  hjc»Æ½ð³Ç¹ÙÍøÎ¢ÐÍÖ±Á÷¼õËÙµç»ú£¬½ðÊô΢ÐÍÖ±Á÷¼õËÙµç»úÐÐÐdzÝÂÖÏäÉè¼ÆÑз¢Ìص㣺

  hjc»Æ½ð³Ç¹ÙÍø»úµçרעÓÚÖ±Á÷¼õËÙµç»ú³ÝÂÖÏäÉè¼ÆÑз¢Éú²ú£¬ÏȺóÓëÏðËÜÄ£¾ß¹¤³ÌÑо¿ÖÐÐĹ²½¨¡°Î¢Ï¸¾«ÃÜËܳÉÐÍÓëÄ£¾ß¼¼Êõ»ùµØ¡±£»Ó뻪ÖпƼ¼´óѧ³ÉÁ¢ÁªºÏʵÑéÊÒ¡£ÓëÖпÆÔº¿ª·¢ÁËÖÇÄÜ»úÆ÷ÈËÏîÄ¿¡£

  hjc»Æ½ð³Ç¹ÙÍøÉú²úÖ±Á÷¼õËÙµç»ú³ÝÂÖÏ䣬¿ÉÒÔ°´Ðè¶¨ÖÆ£¬»¶Ó­¹ã´ó¿Í»§À´Ðè¶¨ÖÆ£¬ÎÒÃǵÄÌØµãÊÇ£º

  1£®ÓÐhjc»Æ½ð³Ç¹ÙÍø×ÔÖ÷֪ʶ²úȨµÄ³ÝÂÖÏä×ÛºÏÉè¼ÆÆ½Ì¨¡£

  hjc»Æ½ð³Ç¹ÙÍøÉè¼ÆÆ½Ì¨µÄÌØÐÔÊǾßÓз½°¸Éè¼Æ¡¢½á¹¹Éè¼Æ¡¢³ÝÐÎÉè¼Æ¡¢Ä£Äâ·ÖÎöµÈÌØµã¿ÉÒÔÌáÌá³ÝÐκÍÄ£¾ß¼Ó¹¤¾«¶È¡£

  2. Óо«ÃÜ΢СµÄÖÆ×÷ÄÜÁ¦¡£

΢ÐÍÖ±Á÷¼õËÙµç»ú

3.²úƷͨ¹ýÈÏÖ¤·ûºÏÅ·ÖÞ»·±£ÒªÇó¡£

  ͨ¹ýISO9001:2015(CN11/30731)¡¢ISO14001(U006616E0153R3M)¡¢ TS16949(CN11/30730.01) ÈÏÖ¤¡£

Ïà¹Ø²úÆ·/ RELATED
ÔÚÏßÁôÑÔ MESSAGES



ÑéÖ¤Â룺

4  ×    =  36

hjc»Æ½ð³Ç¹ÙÍø ¡ª ΢ÐÍÇý¶¯ÏµÍ³ÖÆÔìÉÌ

רעÓÚÑз¢¡¢Éú²ú¾«ÃÜÇý¶¯ÏµÍ³£¬Îª¿Í»§ÌṩÖÇÄÜÇý¶¯·½°¸Éè¼Æ£¬Áã¼þµÄÉú²úÓë×é×°µÄ¶¨ÖÆ»¯·þÎñ

Á¢¼´×Éѯ  >

ÔÁICP±¸11019966ºÅ     Copyright ? 2023  ÉîÛÚÊÐhjc»Æ½ð³Ç¹ÙÍø»úµç¹É·ÝÓÐÏÞ¹«Ë¾  

ÔÁICP±¸11019966ºÅ
Copyright  2023  ÉîÛÚÊÐhjc»Æ½ð³Ç¹ÙÍø»úµç¹É·ÝÓÐÏÞ¹«Ë¾

400-066-2287
·þÎñÈÈÏß

ÔÚ
Ïß
×É
ѯ

·þÎñÈÈÏߣº400-066-2287
sitemap¡¢µØÍ¼