股票代码  003021
主页 > 预售产品 > 高性能电机系列 > 6mm高性能电机(57)
概述

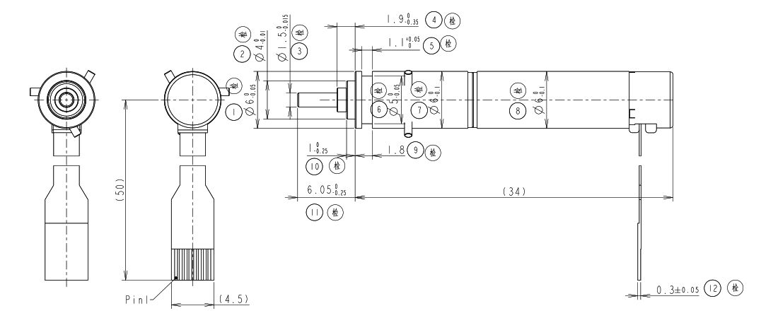
6mm高性能电机(57)

产品型号:ZWSMD006006-57-01

外直径(mm):6

总长度(mm):34

减速比:57:1

额定电压(VDC):12

空载电流(mA MAX.REF):160

空载转速(RPM):1105±15%

额定负载(gf.cm):100

额定转速(RPM):820±15%

额定电流(mA MAX.REF):400

最大力矩(gf.cm):300

空载噪音:变音小于5 dB,稳定后不超出50 dB(侧面30 CM,环境噪音25 dB)

空载回差(°MAX):2.5

电机参数
电机型号 6mm空心杯无刷电机
额定电压(VDC) 12
空载转速(RPM) 63400±10%
空载电流(mA REF) 100
额定负载力矩(gf.cm) 4.25
额定负载转速(RPM) 46800±10%
额定负载电流(A MAX) 0.45
堵转电流(A MAX) 1
堵转力矩(gf.cm MIN) 17
*注:以上具体参数可根据客户要求定制。

设计图纸

热门产品查看更多

资料下载

6mm高性能电机(57)规格书

hjc黄金城官网 — 微型驱动系统制造商

专注于研发、生产精密驱动系统,为客户提供智能驱动方案设计,零件的生产与组装的定制化服务

立即咨询  >

粤ICP备11019966号     Copyright ? 2023  深圳市hjc黄金城官网机电股份有限公司  

粤ICP备11019966号
Copyright  2023  深圳市hjc黄金城官网机电股份有限公司

400-066-2287
服务热线


线

服务热线:400-066-2287
sitemap地图